Pro C & Pro Z Purlin

Pro C and Pro Z Purlins are precision-engineered structural components designed to provide superior strength and stability in modern building frameworks. Crafted from cold-formed steel and shaped like the letters "C" and "Z," these sections are integral to roofing and wall cladding systems. They efficiently transfer roof loads to the primary structural framework while ensuring long-term durability and design flexibility.

Pro C Purlins

Pro C Purlin
Pro C Purlin Design

Pro Z Purlins

Pro Z Purlin
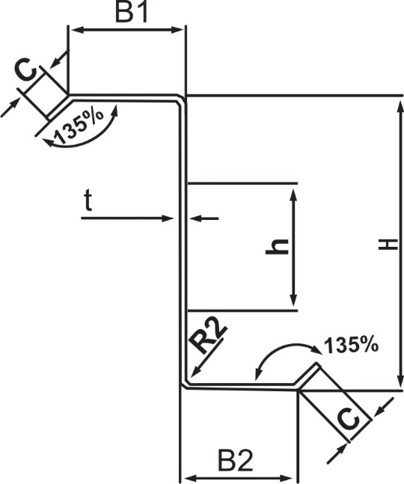
Pro Z Purlin Design

Box Purlin

Box Purlin

Pro C Purlins

Pro C Purlins feature a "C" shaped cross-section and are primarily used in roofing applications. Positioned horizontally along the roof length, they create a robust base for attaching cladding sheets. The flanged edges add rigidity, ensuring superior performance under varying loads and environmental conditions.

Pro Z Purlins

Pro Z Purlins are characterized by their "Z" shaped design, ideal for both roofing and wall framing systems. Their unique form allows overlapping installation, enhancing strength and stability for large-span structures. These purlins deliver excellent load-bearing capacity and are widely preferred for industrial and commercial projects demanding superior structural performance.

Key Advantages of Pro C & Pro Z Purlins

  • Lightweight Efficiency: Made from high-tensile cold-formed steel, these purlins offer exceptional strength without adding unnecessary weight.
  • Cost-Effective Design: Their optimized structure minimizes material usage and installation time, lowering overall project costs.
  • High Strength-to-Weight Ratio: Delivers excellent load resistance while maintaining structural efficiency.
  • Flexible and Customizable: Available in various dimensions and thicknesses to suit specific design and load requirements.

Installation

Pro C and Pro Z Purlins are pre-punched with precision holes to simplify installation. They are securely fastened to the main framework using high-quality bolts or screws. The spacing and configuration are determined based on structural design criteria and load requirements, ensuring optimal performance and safety.

Applications

These purlins are extensively used across commercial, industrial, and agricultural structures, including warehouses, factories, workshops, and cold storage facilities. Their durability, strength, and cost efficiency make them indispensable in modern construction systems.

Pro C and Pro Z Purlins form the backbone of reliable and efficient building envelopes — combining performance, longevity, and design excellence in every project.

×
Contact Person

Get In Touch